首页
关于我们
产品介绍
资料下载
联系我们
久久技研
JIUJIU TECH
ꀅ
简体中文
简体中文
English
首页
ꄲ
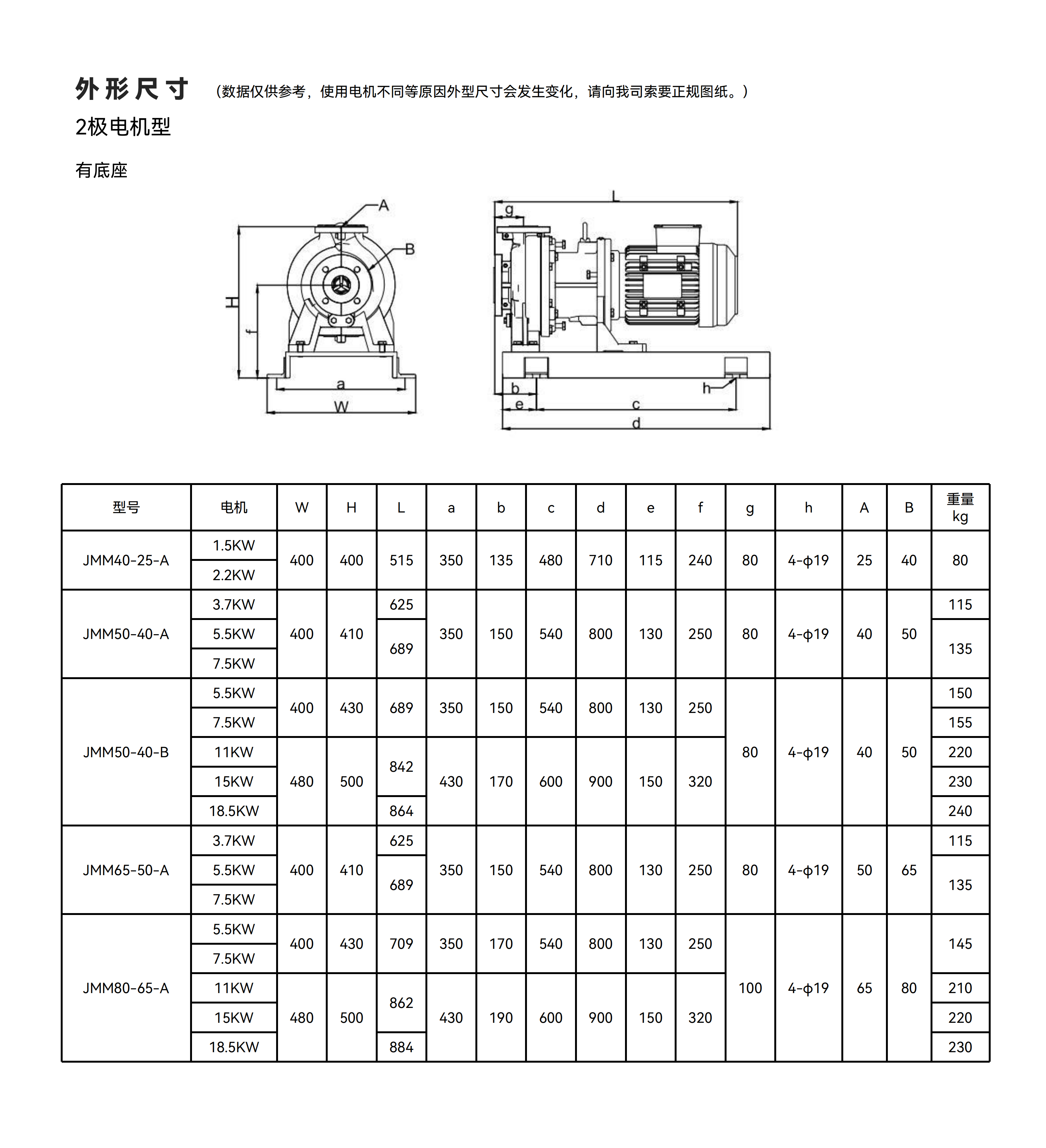
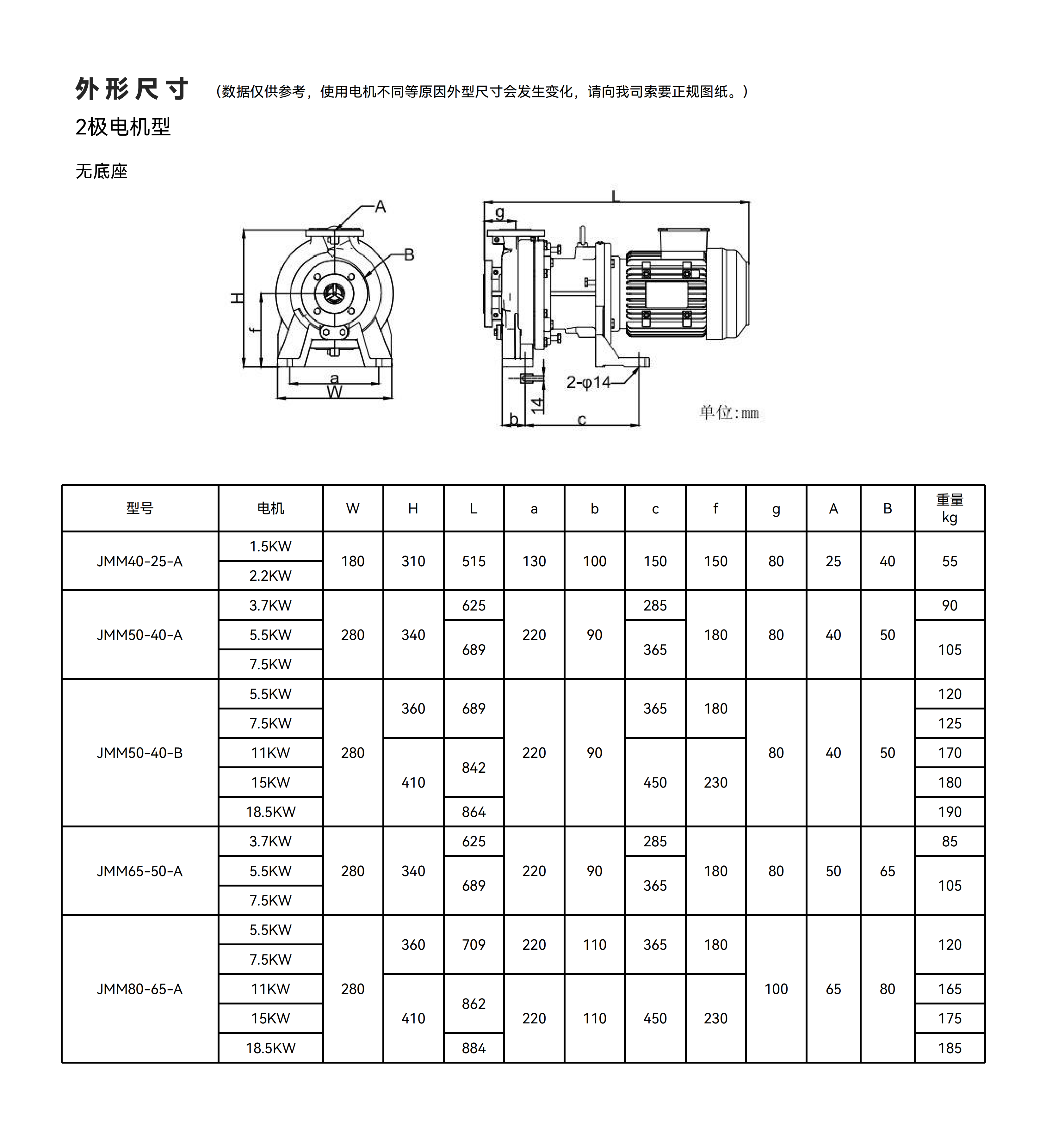
JMM系列衬氟磁力泵
首页图去标png
넳
넲
JMM系列衬氟磁力泵
详情请联系您的销售代表或致电400 654 9981,获取产品最新资讯!
ꄴ
前一个:
JBP-A1系列气动风囊泵
ꄲ
后一个:
无
本网站由阿里云提供云计算及安全服务
本网站支持
IPv6
本网站由阿里云提供云计算及安全服务
本网站支持
IPv6
本网站由阿里云提供云计算及安全服务
本网站支持
IPv6
本网站由阿里云提供云计算及安全服务
本网站支持
IPv6